string(4) "2888"

Горелка РГМГ-1м в Ярославле

Версия
для печати
Товар отсутствуетИзготовление под заказ! Цена по запросу.
Получите скидку
у менеджера
Цена на горелка РГМГ-1м с доставкой от 0 рублей с НДС
Доставка ТК в г. Ярославль и по России
Безналичный расчет
Опросный лист
  • Технические
    характеристики
  • Описание
    товара
  • Отзывы о
    продукции

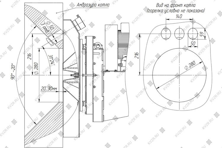
Технические характеристики горелки РГМГ-1М

Бренд Отечественная горелка
Тип РГМГ-1м-01
Топливо Мазут, Дизель, Газ
Номинальная тепловая мощность, МВт 1.1 (+0.11; -0.05)
Коэффициент рабочего регулирования, не менее 4
Номинальное разрежение в камере горения (топке), Па 20 (±20)
Номинальное давление газа перед горелкой, кПа 1.22 ± 0.24
Присоединительное давление топлива мазут / легкое жидкое топливо, МПа 0.15 (±0.03) / 0.03 (±0.02)
Номинальный расход жидкого топлива при Qc =40,53 МДж/кг (9680 ккал/кг), кг/ч 98
Номинальный расход природного газа при Qpн = 33,3 МДж/м3 (7960 ккал/м3), м³/ч 119
Температура газа перед горелкой, °С 0-40
Температура воздуха перед горелкой, °С 10-40
Номинальное давление первичного (распыливающего) воздуха, кПа 5 (±0.5)
Кинематическая вязкость жидкого топлива перед горелкой, мазута / легкого жидкого топлива, мм²/с 44/8
Минимальный коэффициент избытка воздуха при сжигании жидкого топлива в номинальном режиме, не более 1.2
Длина факела при номинальной мощности, не более, м 1.3
Номинальное напряжение питания, 3 фазы, (50 Гц), В 380
Габаритные размеры: длина*ширина*высота, мм 696х744х885
Масса, кг 120

Горелка РГМГ-1М в Ярославле

Газомазутная горелка РГМГ-1М предназначена для сжигания различных видов газового и жидкого топлива - природного газа, мазута, нефти, легкого жидкого топлива, а также дизельного, печного бытового топлива в топках котлов соответствующей тепловой мощности.

Гарантийный срок эксплуатации – 12 месяцев со дня ввода горелки в эксплуатацию, но не более 18 месяцев со дня отгрузки с предприятия-изготовителя при соблюдении потребителем условий эксплуатации, транспортирования и хранения.

Вся продукция завода сертифицирована и соответствует Техническому регламенту Таможенного союза (ТР ТС 010/2011).

На поставленную продукцию поставщик предоставляет паспорт, руководство по эксплуатации, копию сертификата соответствия, заверенную заводом изготовителем.

Купить горелку РГМГ-1м

Для того чтобы купить горелку РГМГ 1м в Ярославле, вы можете сделать заявку в отдел сбыта по телефону (38-52) 29-97-41 (42), либо оформить заявку онлайн. Наши менеджеры дадут консультацию по подбору вспомогательного оборудования для выбранных вами моделей и рассчитают стоимость доставки до вашего региона и населенного пункта.

Дополнительные услуги

Отзывы о продукции

Отзыва о товаре пока нет, будьте первыми!

Вопрос-ответ

  • Технические
    характеристики
  • Описание
    товара
  • Отзывы о
    продукции
Документы завода
  • Сертификаты завода
  • Членство в СРО
  • Аттестованная технология сварки
  • Патенты на котельное оборудование
  • Товарные знаки
Смотреть все документы
Сертификат на водогрейные котлы на твердом и жидком топливе
Сертификат на водогрейные котлы на газе и жидком топливе
Сертификат на котлы отопительные паровые КП
Сертификат на топки
Сертификат на щиты управления
Сертификат на скиповые подъемники
Сертификат на золоуловители (циклоны)
Сертификат на конвейеры скребковые
Сертификат на дробилки
Сертификат на клапаны предохранительные
Сертификат на бункер-накопитель механизированный
Сертификат на автоматику газовых горелок
Сертификат о происхождении товара форма СТ-1
Членство в СРО
Членство в СРО
Аттестованная технология сварки
Свидетельство аттестованной технологии сварки
Патент на отопительный котел
Патент на водогрейный котел
Патент на топку водогрейного котла
Патент на водогрейный газовый котел
Патент на водогрейный котел
Патент на топочное устройство твердотопливного котла
Патент на водогрейный котел
HEATEXPERT товарный знак
KVZR товарный знак
STEAMEXPERT товарный знак
Другая похожая продукция
Вы просматривали эти товары
Цена по запросу
Пеллетный котел 0.4 МВт
Лизинг
Вид топкиРетортная, Автоматическая
Максимальная тепловая мощность, кВт400
ТопливоПеллеты
Отапливаемая площадь, м²3000-4300
1 197 000 р. Цена с НДС
Паровой котел на опилках
Лизинг
Производительность, кг/ч1000
ТопливоОпилки
Температура пара, не более, °C170
Давление пара, не более, МПа0.9
2 336 000 р. Цена с НДС
Циклон ЦН-15-2-УП
Производительность циклона, м³/ч9045-14470
271 000 р. Цена с НДС
background